黃石市科威自控有限公司
電話:027-65523899
手機:18086325340
傳真:027-65523899
郵編:430070
地址:武漢市東湖開發區光谷大道303號

不用PLC(控制板)的控制系統
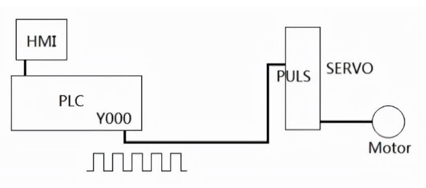
根據客戶工藝要求,搭建控制系統、并進行編程、組態,是自動化公司的日常工作。常規控制系統由PLC(控制板、控制器)、伺服(變頻器)、觸摸屏構成。如下圖:

不用PLC(控制板、控制器),能搭建控制系統嗎?能,用科威智能伺服。科威智能伺服內置PLC,自帶PLC功能,等于PLC+伺服,如下圖:

用科威智能伺服構建的控制系統,如下圖:

該系統具有節省成本、節省安裝工作量、節省空間、控制便利的優勢。應用案例:沖床送料機系統。
科威智能伺服沖床送料機系統,不需要PLC(控制板),接線少,一套節省200元,如下圖:


上一篇:沖床送料機伺服控制系統!
推薦新聞


